Как отремонтировать дхо своими руками
Ремонт китайских ДХО
Подкинул мне на работе коллега свои ДХО со словами: «… не горит…». Ну чтож, посмотрим, что там не горит.
Вскрылись они на удивление легко, т.к. держал стекла обычный силиконовый герметик, причем весьма в скудном количестве. Препарация выявила причину смерти подопытных, они просто захлебнулись. От воды сначала скончался штатный блок управления, т.к. в нем произошло КЗ и человек его удалил из цепи, соединив напрямую. Такое соединение привело к тому, что еще более или менее живые из утопленников потухли буквально при первом же включении.
Достал плату. Кстати плата почему-то была привинчена разными винтами, наверное теми, что были под рукой у собирающего, причем одни саморезы, другие с нормальной резьбой, одни под крест, другие под звездочку.
Выпаял имеющиеся псевдо 1 Ваттники (светят они еле-еле, каким-то фиолетовым свечением), на светодиодах 5050 напаял ножки и впаял вместо этих светодиодов. Дорожки разбил на две секции и вставил резисторы. Поставил обратно светорассеиватель.
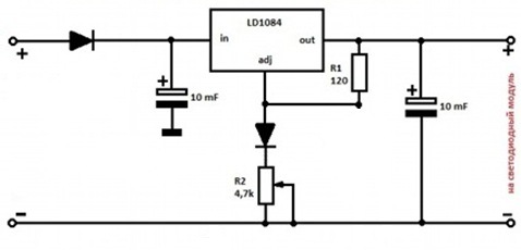
Собрал под это дело стабилизатор, хоть и простой, но проверенный временем.
Залил его герметиком «формирователь прокладок», дал высохнуть.
Переделал по тому же принципу второе ДХО и подключил сразу два к стабилизатору. Одного вполне достаточно для такого мизерного количества светодиодов. Работал в тесте несколько часов, ни капельки не нагрелся. Вот так светит теперь.
Вот и все дела! Если нравится, не стесняйся, жми
P.S. Все, устал каждому в личку отвечать, выкладываю здесь.
Вот схема стабилизатора
вот изображение печатки
Вот так все это светит на машине. Владелец говорит, что стало светить гораздо ярче. У меня нет оснований ему не верить =)
Ремонт ДХО (замена потухших светодиодов) + тест новых стабилизаторов напряжения.
В моих китайских ДХО перестали светиться по половине диодов в каждом фонаре.
Сначала в апреле (спустя всего лишь
10 тыс. км или 9 месяцев после установки ДХО) потухли подряд три диода в одном фонаре.
Затем спустя месяц точно так же и во втором фонаре потухли три диода.
В июле решил их отремонтировать.
Снял их с машинки. Отнес домой. Отколупал герметик, которым заливал щель между стекляшкой и металлическим корпусом.
А дальше непонятки. Как снять стекляшку? Даже не стекляшку, а пластмасску (потому что рассеиватель пластиковый).
Пробовал поддевать отверткой, но держится крепко, страшно пластик сломать.
Попробовал погреть обычным феном для волос. Помогло!
Клей размяк и потихоньку-потихоньку удалось отверточкой выколупать пластиковый рассеиватель.
Потом, после остывания, весь этот китайский клей легко счистился отверткой.
После разборки выяснилось, что каждый фонарь состоит из двух независимых сегментов по три последовательно соединенных светодиода. И если перегорит хотя бы один светодиод, то тогда весь сегмент перестает работать.
Далее прозвонил тестером светодиоды. Если слегка светится — порядок. Нет — вышел из строя.
После прозвонки выяснилось, что в одном фонаре нужно поменять 1 светодиод, а в другом — 2.
Порылся в инете и понял, что нужно покупать сверхяркие светодиоды на 3Вт.
Но в магазине радиодеталей таких в наличии не оказалось и мне предложили ближайший аналог:
Мощный светодиод ARPL-3W-BCX45 Day White
Сказав, что особой разницы нет.
Т.е. я сначала хотел взять светодиод «White», а пришлось взять «Day White»
Посмотрев по ссылкам выяснилось, что:
White — 6000К (холодный белый свет)
Day White — 4500К (желтый свет)
Разница в итоге оказалось заметной на глаз. Но другого варианта не было в продаже.
Теперь дело за малым — выпаять сгоревшие и впаять новые светики.
Отпаял провода от плат и вынул платы из фонарей.
Платы сделаны на алюминиевой подложке (для отвода тепла от светодиодов на корпус фонаря).
Но китайцы — известные жмоты и пожалели термопасты.
Да и метал фонаря внутри окрашен. А во втором фонаре еще и частично облит клеем для рассеивателя (фото нет). Что также ухудшает отвод тепла.
Пайкой smd-элементов мне не приходилось заниматься. Т.к. паяльники имею обычные (на 20Вт и на 40Вт).
Но эти светодиоды вроде как достаточно крупные и можно обойтись и обычным паяльником.
Ха! Как же я ошибался :)))
Я почему-то думал, что достаточно отпаять\припаять ножки светодиода. А его «пятак» для отвода тепла на термопасте должен сидеть.
По крайней мере в инете много у кого так видел сделано.
Но при выпаивании дефектных светодиодов оказалось, что пятак то припаян тоже. :((
Пробовал греть плату снизу паяльником. Бесполезно. Не хватает мощности.
Расстроился, т.к. фена для пайки smd у меня нету. На работе конечно есть. Но это опять ходить и просить нужно. А я этого не люблю. Да и опыта пайки smd тоже нет. Феном для пайки лишь однажды приходилось выпаивать пару деталей и всё.
И тут я вспомнил, что зимой покупал газовый паяльник (паял проводку зимой в машине). Который может работать как горелка. Чем не фен?
Зажег огонь и круговыми движениями нагрел плату снизу (со стороны алюминия). Припой достаточно быстро расплавился и пинцетом легко снял дефектный светодиод с одного фонаря.
Залудил паяльником ножки и пятак нового светодиода. На плату капнул немного канифоли подогрел ее и положил пинцетом сверху на нее светодиод, чтобы приклеился и не смещался.
Снова нагрел плату снизу горелкой. Сначала закипела канифоль. Затем начал плавиться припой и светодиод, как бы утонув, занял свое положение. Пинцетом аккуратно надавил на него сверху, чтобы окончательно прижать и выдавить лишний припой из под пятака.
Мой совет:
Лучше для пайки smd-элементов иметь паяльную пасту. Она и канифоль и припой в одном флаконе. И благодаря тому, что пастообразная, то можно сразу прилепить и расположить как надо smd-элемент.
Со вторым фонарем случился небольшой конфуз. :-/
После нагрева горелкой и расплавления припоя я случайно уронил плату и с нее улетела часть деталей.
Улетели резистор диод и катушка. Две минуты на поиски.
Дольше всех искал диод. Он упал в щель между досок пола на лоджии и встал враскоряк в ней.
Пинцетом удалось его ухватить и не уронить дальше.
Припаял всё обратно как было, а также два новых светодиода.
Подключил питание и проверил результат.
Вроде бы всё хорошо, но если присмотреться то видно разницу в светодиодах 🙁
Попутно протестировал новые крохотные понижающие стабилизаторы напряжения, заказанные на Али (5 штук всего за 175 руб.)
Размер крохотный. Всего 22.5х17 мм
Стабилизаторы эти мне очень понравились.
По сравнению со стабилизатором на LM2596, которые питают мои ДХО (при токе в 1А), эти малыши греются очень слабо при таком же токе. Им даже радиатор не понадобится. Их можно спокойно настроить на нужное напряжение и упаковать в термоусадку. На ощуп их температура не более 40 градусов.
Далее шкурочкой зачистил корпуса фонарей, где они контактируют с термопастой.
Нанес термопасту на платы и прикрутил платы на места.
Затем взял герметик для кровли. Загнал его в шприц. И проклеил рассеиватели по периметру на герметик.
На следующий день проверил и фонари и крохотный стабилизатор на машине.
Ремонт ДХО SHO-ME или куда приложить китайские драйвера.
Вскрытие показало, что из-за попадания влаги в обход всем герметикам вся электроника дошла до состояния не ремонтопригодности — изъедены дорожки на плате, сгоревший драйвер.
В общем восстанавливать в оригинальном виде как-то не было энтузиазма, а покупать новые мешала жаба и желание сделать что-нибудь из чего-нибудь )
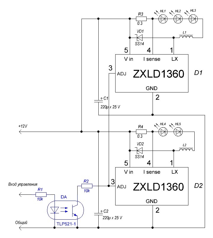
Чего-нибудь оказалось заначкой из одноваттных светодиодов из китая и готовых 12-вольтовых драйверов от ламп с цоколем MR-16 на микросхеме ZXLD1360
Т.к. один вышеназванный драйвер способен питать от 12-ти вольт не более 3-х последовательно включённых светодиодов, то пришлось использовать две платки — одна питает три СД из имеющихся, а другая только два — на конечном результате не сказывается.
Немного поиздевавшись над схемой (о чём позже) получилось сие творение.
Функционал провода управления теперь изменён — вместо полного выключения ДХО при активном головном свете всего лишь уменьшается яркость примерно до 30-40% от первоначальной (возможно это поможет держать внутренности в состоянии прогрева-просушки). К сожалению фото не передаёт визуальной разности по яркости в полной мере — нижний фонарь притушен.
А теперь чуть больше деталей о том как это работает.
Плата драйвера собрана на микросхеме ZXLD1360, полностью готова к применению и соответствует той схеме, что в документации на микруху (даташите)
с той разницей, что на входе платы дополнительно распаян диодный мост на случай подключения к переменному напряжению, но четыре диода моста я сразу выпаял за ненадобностью.
Для управления яркостью я использовал прежде не подключенную ножку ADJ (3) микросхемы. В даташите обозначено, что когда ножка ADJ висит в воздухе то на ней само выставляется напряжение 1,25 вольта на выходе микруха выдаёт 100% тока и яркости светодиодов, при изменении напряжения на этой ножке от 0,3 до 2,5 вольт выходной ток (ток через светодиоды) меняется от 25 до 200 % номинала
Это напряжение можно менять по своему усмотрению в указанных пределах. Благодаря тому, что внутренний источник опорного напряжения V ref подключен к ноге ADJ (3) через резистор сопротивлением около 200 кОм, то добавив всего один резистор между 3-м контактом и землёй получается резистивный делитель напряжения.
От величины добавочного резистора зависит то напряжение, которое мы получим на ножке ADJ и яркость светодиодов. Я просто подобрал его величину поставив временно переменный резистор на 47кОм и получив приемлемую степень уменьшения яркости.
Окончательно для реализации режима уменьшения яркости к схеме добавилась оптопара (DA из тех что оказалась под рукой ) и пара резисторов(R1, R2), которые распаяны на пространстве бывшего диодного моста и управляют сразу двумя платами.
Вот как бы так получилось использовать возможности ZXLD1360 почти на все 100 )
Диафрагма и выдержка на обеих фото одинаковая — заметна перемена яркости ДХО при включении ближнего:
Восстановление китайских диодных ДХО (дешевые которые) + видеоотчет
Когда-то приоборел светодиодные ДХО из китайского сайта недоорго, но этим счастьем наслаждался недолго, т.к. они потухли постепенно в течении второго месяца владения. И так они висели без дела целый год, пока я не решил их отремонтировать…
Ну вот и делюсь с Вами опытом ремонта…
Кому лень читать или больно смотреть на такие «качественные» фотографии, есть видео версия отчета)
www.youtube.com/watch?v=DPx_7XYW27g
результатом доволен, ДХО работают уже полтора месяца, 3500 км позади, без никаких нареканий, влага не замечается на стекле изнутри…
Спасибо, что прочитали!
З.Ы. это первая моя работа со светодиодными лентами!
Метки: дхо, ремонт, восставновление, сделай сам, дневные ходовые огни, светодиодная лента
Комментарии 88
Самому то не стремно такое выкладывать?
Светодиоды не будут видны… Тем более какие там? 3528?
Лента здесь не помощник. Как минимум эмиттеры 1w ставить надо было.
Лента не сильно лучше светит чем то что там было.Вот посмотри как я поступил с такими дхо www.drive2.ru/l/6982253/ светят отлично, на трассе ночью как добавочный дальний использую.
то есть вся проблема изначально в негерметичности корпуса?
Интересный вариант))
Скажу своё мнение, как водителю праворульной машины мне ДХО очень нравяться, в камеру для обгона их видно отлично, а вот идиотов в машинах в цвет асфальта с габаритиками вместо ДХО хреново видно. Ненавижу таких.
вот здесь как раз получились «габаритики», а не ДХО
Точно так думал как и ты. Точно так же ДХО сдохли. И вот не видно их уже дальше 50 метров. Сначала виден силуэт авто, а затем дхо. И смысл их теряется, угасают они постепенно, я не могу сказать видна моя машина тому встречному, что выходит из-за фуры на обгон. А вот в фарах я точно уверен и видно их за километр, точно знаю, что меня видят. А плюс от них 1) что гену не садят, зарядка у меня слабенькая, 2) гайцы не пристают, но крайний раз остановил именно из-за того, что не был включён головной свет фар, и только обойдя машину, он увидел светящиеся дхо и отпустил. Теперь морочиться нет времени и смысла, фары надёжнее, да и по закону машину могут на штрафстоянку забрать. Дхо теперь признаю только дорогие и качественные (с нужным количеством Люменов), либо встроенные на заводе изначально. Моё мнение. А ты молодец! Руки есть, голова работает.
За что могут забрать на штрафстоянку?
Не слушай никого. Это они от зависти критикуют.
Главное, чтобы ты сам был доволен проделанной работой.
… ничего против не имею по счет рукоделия! Это хорошо, когда человек что-то пытается сделать своими руками, пусть даже таким образом! )
… все бы ничего, да вот мне не нравится тут один аспект! Т.к. вы св.диод. ленту приклеили поверх отражателя, то ваши «дхо» светят во все стороны! Если они яркие (я не уверен в использованной вами св.диод. ленте) = то встречка вам спасибо явно не скажет, если они тусклые = то смысл ставить св.диод. ленту?!
Просто таким образом смысл ДХО теряется! (((
И вот, еще (выдержи с ресурсов интернет):
ГОСТ Р 41.48-2004 (Правила ЕЭК ООН N 48)
2.7.24 дневной ходовой огонь: Огонь, направленный вперед и используемый для обеспечения лучшей видимости транспортного средства при его движении в дневное время*
6.19.5 Геометрическая видимость
Горизонтальный угол бета = 20° наружу и внутрь.
Вертикальный угол альфа = 10° вверх и вниз от горизонтали.
Тех.Регламент: п.80:
Объектами оценки соответствия являются единичные транспортные средства, выпущенные в обращение и прошедшие государственную регистрацию, у которых:
изменены конструктивные параметры, оказывающие влияние на характеристики транспортного средства, предусмотренные пунктами 10 и 11 настоящего технического регламента;
заменены снятые с производства компоненты на компоненты, находящиеся в производстве, для увеличения ресурса транспортного средства.
Не является внесением изменений в конструкцию замена компонентов на компоненты, которые не поставляются на сборочное производство, но разрешены изготовителем транспортного средства для установки на транспортные средства соответствующего типа.
Из чего делаем неприятный вывод — если изготовитель вашего авто не предусмотрел в комплектации ДХО — а вы их решили поставить — это внесение изменений в конструкцию ТС.
ВНИМАНИЕ! Не то что предусмотрено, но чем не укомплектовано — в соответствии с комплектацией, а именно что не предусмотрено изготовителем ТС изначально.
не повезло?!
Смотрим ГОСТ Р 41.87-99 «Единообразные предписания, касающиеся официального утверждения дневных ходовых огней механических транспортных средств». Так что, если надумали приобрести ДХО — внимательно ознакомьтесь с указанными производителем ДХО характеристиками, что бы ни на йоту не отступали от вышеназванного ГОСТ.
… и так далее, читаем тут интересную историю!
ИЛИ ЖЕ, забиваем на все выше написанное и катаемся с тем, что есть, пока к этому не придираются ДПС! )))
Много правильных гостов и неправильных выводов.
ДХО должны быть видны встречкой, они для этого и существуют.И встречка скажет спасибо за то что ДХО есть.
Вопрос только в яркости света на рабочей дистанции. Это можно проверить просто — сравнить на глаз со штатными ДХО на расстоянии скажем 100-200 метров.
… парою встретишь авто с «правильными дхо», так хочется выйти и погасить их (спасибо калхозу)!
ночью ДХО должны выключаться
а днем они не слепят
… ничего против не имею по счет рукоделия! Это хорошо, когда человек что-то пытается сделать своими руками, пусть даже таким образом! )
… все бы ничего, да вот мне не нравится тут один аспект! Т.к. вы св.диод. ленту приклеили поверх отражателя, то ваши «дхо» светят во все стороны! Если они яркие (я не уверен в использованной вами св.диод. ленте) = то встречка вам спасибо явно не скажет, если они тусклые = то смысл ставить св.диод. ленту?!
Просто таким образом смысл ДХО теряется! (((
И вот, еще (выдержи с ресурсов интернет):
ГОСТ Р 41.48-2004 (Правила ЕЭК ООН N 48)
2.7.24 дневной ходовой огонь: Огонь, направленный вперед и используемый для обеспечения лучшей видимости транспортного средства при его движении в дневное время*
6.19.5 Геометрическая видимость
Горизонтальный угол бета = 20° наружу и внутрь.
Вертикальный угол альфа = 10° вверх и вниз от горизонтали.
Тех.Регламент: п.80:
Объектами оценки соответствия являются единичные транспортные средства, выпущенные в обращение и прошедшие государственную регистрацию, у которых:
изменены конструктивные параметры, оказывающие влияние на характеристики транспортного средства, предусмотренные пунктами 10 и 11 настоящего технического регламента;
заменены снятые с производства компоненты на компоненты, находящиеся в производстве, для увеличения ресурса транспортного средства.
Не является внесением изменений в конструкцию замена компонентов на компоненты, которые не поставляются на сборочное производство, но разрешены изготовителем транспортного средства для установки на транспортные средства соответствующего типа.
Из чего делаем неприятный вывод — если изготовитель вашего авто не предусмотрел в комплектации ДХО — а вы их решили поставить — это внесение изменений в конструкцию ТС.
ВНИМАНИЕ! Не то что предусмотрено, но чем не укомплектовано — в соответствии с комплектацией, а именно что не предусмотрено изготовителем ТС изначально.
не повезло?!
Смотрим ГОСТ Р 41.87-99 «Единообразные предписания, касающиеся официального утверждения дневных ходовых огней механических транспортных средств». Так что, если надумали приобрести ДХО — внимательно ознакомьтесь с указанными производителем ДХО характеристиками, что бы ни на йоту не отступали от вышеназванного ГОСТ.
… и так далее, читаем тут интересную историю!
ИЛИ ЖЕ, забиваем на все выше написанное и катаемся с тем, что есть, пока к этому не придираются ДПС! )))
Вот это поворот))) если так, то получается и устанавливать такое на машину нельзя)
Не понял? Ты что, не знаешь алгаритм работы ДХО?
Не понял? Ты что, не знаешь алгаритм работы ДХО?
ГОСТ Р 41.48-2004 (Правила ЕЭК ООН N 48)
2.7.24 дневной ходовой огонь: Огонь, направленный вперед и используемый для обеспечения лучшей видимости транспортного средства при его движении в дневное время*
6.19.5 Геометрическая видимость
Горизонтальный угол бета = 20° наружу и внутрь.
Вертикальный угол альфа = 10° вверх и вниз от горизонтали.
Тех.Регламент: п.80:
Объектами оценки соответствия являются единичные транспортные средства, выпущенные в обращение и прошедшие государственную регистрацию, у которых:
изменены конструктивные параметры, оказывающие влияние на характеристики транспортного средства, предусмотренные пунктами 10 и 11 настоящего технического регламента;
заменены снятые с производства компоненты на компоненты, находящиеся в производстве, для увеличения ресурса транспортного средства.
Не является внесением изменений в конструкцию замена компонентов на компоненты, которые не поставляются на сборочное производство, но разрешены изготовителем транспортного средства для установки на транспортные средства соответствующего типа.
Не понял? Ты что, не знаешь алгаритм работы ДХО?
Внесение изменений в конструкции автомобиля
Установка ДХО не является изменением конструкции автомобиля… Это тебе любой Гаец скажет.
Не понял? Ты что, не знаешь алгаритм работы ДХО?
Правила установки ДХО
Выдержка из «Государственный стандарт РФ ГОСТ Р 41.48-2004 (Правила ЕЭК ООН N 48)»:
6.19.1 Установка
Факультативна на автомобилях. Запрещена на прицепах.
6.19.2 Число
Два.
6.19.3 Схема монтажа
Специальных предписаний нет.
6.19.4 Размещение
6.19.4.1 По ширине — точка поверхности, видимой в направлении исходной оси, наиболее удаленная от средней продольной плоскости транспортного средства, должна находиться на расстоянии не более 400 мм от края габаритной ширины транспортного средства.
Расстояние между внутренними краями двух видимых поверхностей должно быть не менее 600 мм. Это расстояние может быть уменьшено до 400 мм, если габаритная ширина транспортного средства составляет менее 1300 мм.
6.19.4.2 По высоте — на расстоянии от 250 до 1500 мм над уровнем грунта.
6.19.4.3 По длине — на передней части транспортного средства. Это требование считают выполненным, если излучаемый свет не мешает водителю непосредственно или косвенно в результате отражения зеркалами заднего вида и/или другими отражающими поверхностями транспортного средства.
6.19.5 Геометрическая видимость
Горизонтальный угол бета = 20° наружу и внутрь.
Вертикальный угол альфа = 10° вверх и вниз от горизонтали.
6.19.6 Направление
Вперед.
6.19.7 Функциональная электрическая схема
В случае их установки дневные ходовые огни должны включаться автоматически, когда приведен в положение «включено» орган управления запуском/остановом двигателя. Должна быть обеспечена возможность приведения в действие и отключения функционирования автоматического включения дневных ходовых огней без помощи инструмента.
Дневные ходовые огни должны выключаться автоматически, когда включаются головные фары, за исключением тех случаев, когда головные фары включаются на короткий промежуток времени для сигнализации участникам движения.
6.19.8 Контрольный сигнал
Факультативен в виде замкнутого контура.
6.19.9 Прочие предписания
Нет.
ГОСТ Р 41.87-99 (Правила ЕЭК ООН N 87). Согласно правилам излучатели дневных огней должны занимать площадь от 25 см до 200 см (в России «не менее 40 см). И излучать свет силой от 400 до 1200 кд, (в России от 400 до 800 кд).
Настоящий стандарт устанавливает единообразные предписания, касающиеся официального утверждения дневных ходовых огней механических транспортных средств.
Согласно этому ГОСТу, на всех сертифицированных ходовых огнях должно быть соответствующие обозначение.
Таблица 6а — Требования Правил ЕЭК ООН к наличию внешних световых приборов на автотранспортных средствах:
Дневной ходовой огонь: Белый, 2 шт.
Рекомендуется для категорий М, N. (пассажирские и грузопассажирск ие автомобили, грузовые автомобили)
Запрещено для категорий О (Прицепы с двумя и более осями прицепы с центральной осью и полуприцепы) ИЗУЧАЙ! Факультативная установка разрешена! С соблюдением алгоритма работа и параметров Установки!

























































